服務熱線
深圳市薩科微SLKOR(m.ax99.cn)半導體有限公司技術骨干來自清華大學和韓國延世大學,以新材料新工藝新產品引領公司發展,較早掌握國際領先的第三代半導體碳化硅功率器件技術。薩科微集電子元器件的設計開發、生產和銷售一體化的高新科技企業,為客戶提供可靠的產品和配套的技術服務,“slkor”品牌逐漸發展成為國際知名品牌,與全世界超過10000家合作伙伴一起發展。為了努力為客戶提供全方位的產品和配套的解決方案,現在薩科微推出一系列數字紅外熱電堆非接觸測溫應用設計demo板使用教程。
1.1名稱:薩科微數字紅外熱電堆非接觸測溫應用
1.2應用:智能可穿戴設備、智能手機、工業溫度監測、非接觸表面人體測溫、智能溫度感應與控制等近距離測溫尺寸較小的設備
1.3芯片功能:
薩科微SL-S-TRS-5.5Dx是一款貼片形式的數字紅外熱電堆芯片,用于非接觸測溫應用。芯片內置NTC、紅外熱電堆、信號調理電路和高分辨率 ADC組成,用戶無需其他外圍,直接通過 I2C 總線與傳感器進行通訊讀取。從 ADC 取得 NTC 和熱電堆對應的采樣數據,再由MCU把原始數據轉換為用戶需要的溫度值 。可以在-40℃~130℃溫度環境中應用,測量溫度范圍更廣在-40℃~530℃之間。
2. 薩科微SL-S-TRS-5.5Dx典型應用電路圖
2.1薩科微SL-S-TRS-5.5Dx電路原理:
薩科微SL-S-TRS-5.5Dx芯片引腳包含電源、I2C 總線和1根地址設置,供電電壓允許范圍為 2.5~5V。I2C 的數據和時鐘線進行上拉處理。ADDR 管腳是器件I2C 地址的最低位,如果沒有使用兩顆傳感器的需求可以直接連到 GND 或 VCC。 傳感器本身功耗很低,電源地之間使用一顆 0.1uF 電容即可,如果傳感器離供電部分比較遠,可以考慮增加一個 10uF電容,以保證電源穩定。
2.2薩科微SL-W-TRS-5.5Dx芯片提供用于串行通信的 I2C 通訊協議。 通訊協議的選擇是基于 CSB 狀態。 I2C 總線使用 SCL 和 SDA 作為信號線,兩條線都通過上拉電阻從外部連接到 VDDIO,以便在總線空閑時, 保持為高電平。SL-S-TRS-5.5D1的 I2C 芯片地址如下表所示。7 位器件地址的 LSB 位由 SDO 引腳確定。如果 SDO 連 接到 VDDIO,則 7 位 I2C 地址為“ 1101101”。 如果 SDO 連接到 GND,則 7 位 I2C 地址為“ 1101100”。(如下圖)
I 2C 芯片地址
I 2C 總線線路特性
I 2C 時序圖
I 2C 通訊協議
2.3當 SCL 處于高電平同時 SDA 處于下降沿,標志 I2C 數據通訊開始。I2C 主設備依次發送從設備的地址(7 位),隨后方向控制位 R/W 選擇讀/寫操作。當從設備識別到這個地址后,產生一個應答信號,并在第九個 SCL(ACK) 周期將 SDA 拉低。 SCL 處于高電平,SDA 處于上升沿,標志 I2C 數據通信結束。當 SCL 為高時 SDA 傳輸的數據必須保持穩定。 只有當 SCL 為低時 SDA 傳輸的值才可以改變。
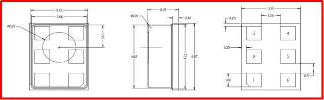
3.SMD-6P,4.7x3.8mm封裝及尺寸
3.1引腳定義
4.溫度測量影響因素
4.1芯片一致性影響 同一種熱電堆傳感器,本身的輸出特性是確定的,這里“特性”是指芯片電壓輸出受環境及物體溫度的影響“趨勢”是一致的。熱電堆個體之間的差異在于材料和生產工藝, 在相同外部條件下,傳感器的絕對輸出不完全一致,但相互之間可以認為是恒定倍數關系。
4.2視場角(FOV)影響 因為熱電堆傳感器位于芯片內部,芯片上都會留一個視窗,并配合紅外濾光片作為透光窗口。傳感器的視場角近似等于芯片截面上熱電堆本體與透光窗口兩側交叉連線的夾角。 對于紅外熱電堆傳感器來說,芯片視場角范圍內與傳感器本體存在溫差的物體都會影響最終輸出。一般溫槍應用都會將傳感器與一個金屬套筒安裝在一起,內部使用透鏡或聚光杯 將紅外光匯聚在傳感器上。金屬筒的作用就是給傳感器提供一個穩定的環境溫度,并配合光 學設計使測溫槍具有指定視場角。 對于空間足夠的非穿戴設備,建議設計時將傳感器底部及四周進行鋪地處理,并加以金屬光杯,以增加傳感器熱容,縮小視場角并延長測溫距離。如果是空間緊張的穿戴設備,可以根據具體產品形態將傳感器布置在距外殼 2-3mm 處。在滿足視場角的情況下將開口設計為盆形。 需要注意的是,普通可見光鏡片一般不透射遠紅外光。傳感器本身是密封的,如果需要做整體密封設計,可以通過泡棉密封或是使用透紅外的硅濾光片(和傳感器上相同材質的鏡片,方形外觀采購成本會低一些)如果需要改變測溫結構的視場角且結構上不允許使用金屬 套筒,則視場角內的非被測物體溫度需要納入考慮,有些情況下可以通過補償的得到想要的測溫結果。
4.3測溫距離影響 因為紅外輻射強度與物體距離呈反比關系,因此為了測量精確度,一般額溫槍應用都會要求在一定距離內測量(3-5cm)。尤其是紅外傳感器用于近距離體溫測量時,因為距離皮膚非常近,因此距離因素對傳感器輸出影響很大。所以一般都需要經過專門調校測試。
4.4溫度穩定性影響 由于一般的溫度測量和傳感器輸出電壓測量是分步完成,每次轉換的時間較長,并且傳感器有一定響應時間,因此如果測量過程中環境溫度不夠穩定,我們得到的溫度和輸出電壓 是不同步的,這就會導致測量結果與實際溫度值之間的差異。 因此傳感器本體溫度穩定也尤為重要。結構上允許的話最好在傳感器上或四周使用金屬 構件增加熱穩定性。
5設計注意事項
應用設計中,重點需要了解的是測量對象的材質(液體,物體還是人體),測量距離,測量溫度范圍,根據應用環境做算法優化開發,以提高測量的精準度。原始芯片算法是只保證在熱平衡條件下,并且等溫條件(傳感器封裝上沒有溫度差)下傳感器有這個精度。若傳感器封裝上有溫差,測得精度就會受到影響。能引起傳感器封裝溫差的情況,比如傳感器底面或側面有較熱(或較冷)的元器件,或傳感器非常接近被測物體,被測物會局部加熱傳感器。




粵公網安備44030002007346號